Model: FW01AAA1

Multi jet meter, Super dry dial.Available for cold water 0-50°c. Magnetic tansmission. Magentic predisposition for the installation of NB-ioT,LoRaWAN,WMBUS OMS & Wired M-BUS Modules.

Water Meter

Multi jet, velocity type, Inferential, Super dry dial, straight reading in KLitres, Horizontal Flow, Magnetic Coupled water meter as per IS 779:94 and conforming to ISO 4064(1) Class ‘B' Standard, suitable for Horizontal line connections.


Operations:

FLOW multijet is a velocity type inferential water meter. Water enters into the measuring chamber through specially designed holes, which directs the flow at the turbine equally from several points around its circumference; minimizing uneven wear on the turbine and its shaft. Water moves out from the chamber through a different set of holes to the outlet. The number of performed turns of the turbine is proportional to the volume of water passing through the meter. A drive magnet transmits the motion of the meter. A drive magnet transmits the motion of the turbine to a driven magnet of the dial register, housed in a strong upper chamber. The driver magnet is connected to a gear train which translates the turbine’s rotation into volume totalization displayed on the counters. An external regulator mechanism is provided to adjust and fine tune the accuracy within excellent limits.

Sizes

15mm, 20mm, 25mm, 32mm, 40mm, 50mm

Standards
Sizes upto 25mm - Approved as per IS 779:94, Class ‘B”
Sizes 25mm to 50mm - Conforms to ISO 4064(1), Class ’B’.
Features
  • • The Total Internal mechanism is sealed using gaskets and rings to the brass body and covered using a robust registration brass cover to avoid water seepage making it Moisture proof, dust free, waterproof.
  • • Its unique anti-reversal flow construction restricts reverse flow and does not record reading.
  • • The counters designed simple and precise, read in Kilo Litres and litres in circular pointers.
  • • Start wheel in the middle shows turbine movements at the lowest flows and can be used to detect leakage.
  • • Tamper-resistant construction: Meters cannot be tampered without breaking seal.
  • • Light weight turbine pivoted perfectly on a highly polished non magnetic SS Pivot keeps in perfect symmetrical balance and avoids friction and tension in turbine movement.
  • • High quality sapphire jewels bearing provided for low flow start-up and superior low flow accuracy.
  • • High quality UV additive virgin engineering plastics used for manufacturing of components, prevents degradation over long period even in worst environmental conditions.
  • • Superior flow rate accuracy and greater stability in high flow rates.
  • • Not sensitive to particulates in the water. The inner case protective cover design prevents foreign particles to simply pass right through, causing no damage to the meter.
  • • Protective chambers restrict and designate the flow and protects the turbines from direct impact of water force.
  • • Pulse output facility provided with a 10ltr/pulse for advanced AMR Application.

AMR Module

The FW01A Series AMR(Automted Meter Reading) is compatible with all the predisposed multiple jet meters (wet dial, semi-dry dial, dry dial), uses the LoRa standard and is compliant with the LoRa WAN protocol*. It has been designed to allow wireless remote reading in different types of applications from the residential sector to the commercial and industrial sectors. The radio module thanks to the presence of the magnetic pointer on the counter and can offer the following functions listed below and allows the reading of the counter without constraints of access to the site in direct reading mode or AMR (automatic meter reading).

Technical Specs

Praesent at vestibulum tortor. Praesent condimentum efficitur massa, nec congue sem dapibus sed. Sed eget justo at erat suscipit tristique sit.
Water Meter Technical Details
LoRa AMR Technical Details
Meter-AMR Module Assembly

Technical Data

Nominal Size DN(mm) Measurment Class Max Flow Rate Qmax(l/h) Nominal Flow Rate Qn(l/h) Transitional Flow Rate Qt(l/h) Min Flow Rate Qm(l/h)
15 B 3000 1500 120 30
20 B 5000 2500 200 50
25 B 7000 3500 280 70
32 B 12000 6000 480 120
40 B 20000 10000 800 200
50 B 30000 15000 3000 450

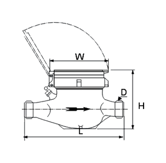
Overall Dimensions & Weight

Model Size(mm) Length(mm) L Width(mm) W Height(mm) H Connecting Thread D Weight(Kg)
FW01AAA115100 15 190 83 89 G¾"B 1.10
FW01AAA120100 20 165 83 89 G1"B 1.3
FW01AAA125100 25 260 83 89 G1¼"B 1.9
FW01AAA132100 32 260 104 120 G1½"B 2.8
FW01AAA140100 40 300 120 155 G2"B 5.1
FW01AAA150100 50 300 125 155 G2½"B 7.2

Metering Accuracy

Metering Reading Head Loss
Flow Rate Error % Flow Rate Limits
Qmax ±2% Qmax 0.025 MPa
Qnormal +-2%
Qtransitional ±2% Qnominal 0.1 MPa
Qminimum ±2%

Result

  • From minimum flow-rate (qmin) inclusive, to transitional flow-rate (qt) exclusive : ± 5%
  • From transitional flow-rate (qt) inclusive, to overload flow-rate (qs) exclusive : ± 2%

Working Condition

  • Water temperature < 50C
  • Water pressure 1MPa(PN: 1.6MPa/16bar)
  • P 0.1MPa

Error Curve

Head Loss Curve

Installation Positions

FW01A Series has been designed to allow wireless remote reading in different types of applications from the residential sector to the commercial and industrial sectors. The radio module thanks to the presence of the magnetic pointer on the counter and can offer the following functions listed below and allows the reading of the counter without constraints of access to the site in direct reading mode or AMR (automatic meter reading).

The FW01A Series is compatible with all the predisposed multiple jet meters (wet dial, semi-dry dial, dry dial), uses the LoRa standard and is compliant with the LoRa WAN protocol* (*Optional Feature available on request).

  • Fraud control (Follwing can be identified with our system - Removal of the radio module, Application of external magnetic field, Reverse flow, Identification of system loss)
  • Magnetic tampering at the counter and removal are recorded and reported to the receiving system via radio transmission.
  • Automatic update of battery life for easier maintenance of the AMR system.
  • Easy configuration through mobile application.
  • IP68 protection* allows the use of the module also for meters installed in difficult environments
Radio interface LoRa @868 MHz ≤ 25 mW or ≤ 100mW
Coverage Up to 7 Km**
Communication Frequency options 169 MHz, 433 MHz, 868 MHz or 915 MHz
Pulse output minimum value (K) 10 liters
Configuration QR Code (with Android app)
Battery Replaceable battery, Primary Cell - Lithium Thionyl Chloride, Battery life 10 years***
Protection class IP68***
Weight 200 g
Size (l x b x h) 88 x 70 x 50 mm
Working Temperature +1° / + 60°C
Transmitted Data Volume (consumption), reading time, consumer number, meter serial number , battery status.
Module programming requirements Android Device (smartphone, tablet, etc.), Intermediate Communication Device

** In optimal signal transmission conditions
*** The battery life strongly depends on the working time window, set during the configuration process and on the environmental conditions
**** IP68: maximum 24 hours of continuous submersion at 1m depth

Request for Demo
flowsmart_whatsapp